On this datasheet you can choose your tuning range and select your preferred connectors. Click Download PDF to generate a PDF document for saving or emailing. You can generate a quote request by entering a quantity in the field at the bottom of the page and clicking Add to Quote Basket. When done selecting filters, please click Quote Basket at the top of the page and fill in the contact form. Before sending us the quotation request you will be able to make adjustments to the quantities or remove items. A copy of your request will be sent to you via email.

Data Sheet: Manually Tunable Band Reject / Notch Filters
{{ filter.filter_data_sheet_description }}
This Tunable Band Reject / Notch Filter has a stopband with a bandwidth of 0.2 MHz, a maximum tuning range of 110 MHz - customer defined between 400 and 700 MHz - and an attenuation of at least 50 dB. It has passbands from DC to Fo - 0.8 MHz and from Fo + 0.8 MHz to 2.8 x Fo MHz, with an insertion loss of 0.75 dB max. (2.5 dB max. at corners).

Attenuation 50 dB min. Currently not available

Specifications

Typical Performance

10 Section Cavity Design

Cavity

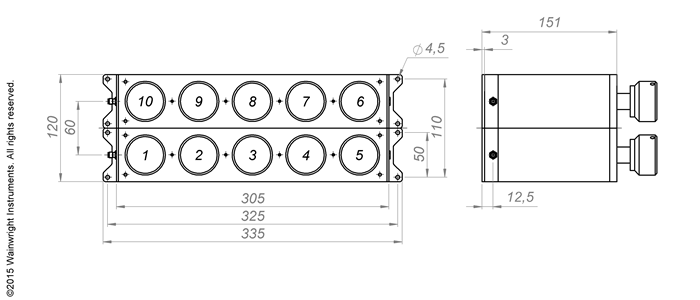
Technical drawing

Typische Leistung – Wainwright Instruments
Connector Options:
  • SMA - Female
  • SMA - Male
  • N - Female
  • N - Male
  • BNC - Female
  • BNC - Male
Passband
Insertion Loss 0.75 dB max. (2.5 dB max. at Corners)
Return Loss 14 dB min. (VSWR 1.5:1 max.)
Stopband 0.2 MHz bandwidth tunable from to MHz

choose a tuning range of max 110 MHz between 400 and 700 MHz

Stopband Attenuation 50 dB min.
Operating Temperature 15 °C to 45 °C
Power Handling will be quoted on request (See our warranty)
Dimensions (L x W x H) max. 335 x 120 x 151 mm (connectors may protrude)
Approx. Weight 9.8 kg
Mounting Provision 17.5 mm flanges on both ends with 4.5 mm holes
Connector 1 Please choose Connector 1
Connector 2 Please choose Connector 2
Tuning Please choose Tuning Options

Unit prices

1–4 pieces

2890 €

5-9 pieces

2746 €

10-24 pieces

2601 €

25-49 pieces

2457 €

50-99 pieces

2312 €

100+ pieces

2168 €

Delivery Terms

1 Delivery time: normally 4 to 6 weeks - depending on quantity ordered and on our work load.

Customer is responsible for observing all applicable export laws in regard to filter application and location of end user.

Certifications

ISO 9001
ISO 14001
Ohris
RoHs / REACH