On this datasheet you can select your preferred connectors. Click Download PDF to generate a PDF document for saving or emailing. You can generate a quote request by entering a quantity in the field at the bottom of the page and clicking Add to Quote Basket. When done selecting filters, please click Quote Basket at the top of the page and fill in the contact form. Before sending us the quotation request you will be able to make adjustments to the quantities or remove items. A copy of your request will be sent to you via email.

Data Sheet: Triplexer (LP/BP/HP)
{{ filter.filter_data_sheet_description }}
This Triplexer is made up of a lowpass section, a bandpass Section and a highpass section. The lowpass section has a passband from DC to 140 MHz, with an insertion loss of 1 dB max. and an isolation of at least 60 dB. The bandpass section has a passband from 380 to 650 MHz, with an insertion loss of 1.5 dB max. and an isolation of at least 60 dB. The highpass section has a passband from 3000 to 8000 MHz, with an insertion loss of 1 dB max. and an isolation of at least 60 dB.

Currently not available

Specifications

Typical Performance

20 Section LC Design

LC

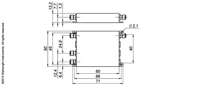
Technical drawing

Typische Leistung – Wainwright Instruments
Connector Options:
  • SMA - Female
  Band 1 (Low Pass) Band 2 (Band Pass) Band 3 (High Pass)
Passbands DC to 140 MHz 380 to 650 MHz 3000 to 8000 MHz
Insertion Loss 1 dB max. 1.5 dB max. 1 dB max.
Return Loss 14 dB min. 14 dB min. 14 dB min.
Stopbands 380 to 8000 MHz DC-140 & 3000-8000 MHz DC to 650 MHz
Stopband Attenuation 60 dB min. 60 & 60 dB min. 60 dB min.
Operating Temperature 15 °C to 45 °C
Power Handling max. 10 W CW into a 2:1 VSWR (See our warranty)
Dimensions (L x W x H) max. 71 x 50 x 13.2 mm (connectors may protrude)
Approx. Weight 0.13 kg
Mounting Provision 5.5 mm flanges on both ends with 2.1 mm holes
Connector Common Please choose Connector common
Connector 1 Please choose Connector 1
Connector 2 Please choose Connector 2
Connector 3 Please choose Connector 3

Unit prices

1–4 pieces

2190 €

5-9 pieces

2081 €

10-24 pieces

1971 €

25-49 pieces

1862 €

50-99 pieces

1752 €

100+ pieces

1643 €

Delivery Terms

1 Delivery time: normally 4 to 6 weeks - depending on quantity ordered and on our work load.

Customer is responsible for observing all applicable export laws in regard to filter application and location of end user.

Certifications

ISO 9001
ISO 14001
Ohris
RoHs / REACH