On this datasheet you can choose your tuning range and select your preferred connectors. Click Download PDF to generate a PDF document for saving or emailing. You can generate a quote request by entering a quantity in the field at the bottom of the page and clicking Add to Quote Basket. When done selecting filters, please click Quote Basket at the top of the page and fill in the contact form. Before sending us the quotation request you will be able to make adjustments to the quantities or remove items. A copy of your request will be sent to you via email.

Data Sheet: Manually Tunable Band Pass Filter
{{ filter.filter_data_sheet_description }}
This Tunable Band Pass Filter has a passband with a bandwidth of 1 MHz, a maximum tuning range of 600 MHz - customer defined between 6200 and 6800 MHz - and an insertion loss of 8 dB max. (8 dB max. at corners). It has stopbands from DC to Fo - 20 MHz and from Fo + 20 MHz to 8000 MHz, with an attenuation of at least 20 dB.

Attenuation 20 dB min. Currently not available

Specifications

Typical Performance

2 Section Waveguide Design

Waveguide

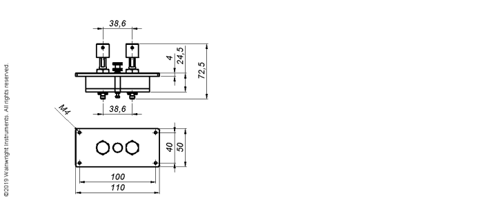
Technical drawing

Typische Leistung – Wainwright Instruments
Connector Options:
  • SMA - Female
Passband 1 MHz bandwidth tunable from
to MHz

choose a tuning range of max 600 MHz between 6200 and 6800 MHz

Insertion Loss 8 dB max. at Fo (8 dB max. at Corners)
Return Loss 12 dB min. (VSWR 1.67:1 max.)
Stopband
Stopband Attenuation 20 dB min.
Operating Temperature 15 °C to 45 °C
Power Handling will be quoted on request (See our warranty)
Dimensions (L x W x H) max. 110 x 50 x 24.5 mm (connectors may protrude)
Approx. Weight 0.6 kg
Mounting Provision M4 threaded holes on all corners of base
Connector 1 Please choose Connector 1
Connector 2 Please choose Connector 2
Tuning Please choose Tuning Options

Unit prices

1–4 pieces

1740 €

5-9 pieces

1653 €

10-24 pieces

1566 €

25-49 pieces

1479 €

50-99 pieces

1392 €

100+ pieces

1305 €

Delivery Terms

1 Delivery time: normally 4 to 6 weeks - depending on quantity ordered and on our work load.

Customer is responsible for observing all applicable export laws in regard to filter application and location of end user.

Certifications

ISO 9001
ISO 14001
Ohris
RoHs / REACH