On this datasheet you can choose your tuning range and select your preferred connectors. Click Download PDF to generate a PDF document for saving or emailing. You can generate a quote request by entering a quantity in the field at the bottom of the page and clicking Add to Quote Basket. When done selecting filters, please click Quote Basket at the top of the page and fill in the contact form. Before sending us the quotation request you will be able to make adjustments to the quantities or remove items. A copy of your request will be sent to you via email.

Data Sheet: Manually Tunable Band Pass Filter
{{ filter.filter_data_sheet_description }}
This Tunable Band Pass Filter has a passband with a bandwidth of 10 MHz, a maximum tuning range of 100 MHz - customer defined between 670 and 1000 MHz - and an insertion loss of 1.5 dB max. (2 dB max. at corners). It has stopbands from DC to Fo - 25 MHz and from Fo + 25 MHz to 2.6 x Fo MHz, with an attenuation of at least 40 dB.

Attenuation 40 dB min. Currently not available

Specifications

Typical Performance

5 Section Cavity Design

Cavity

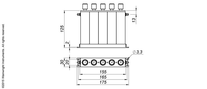
Technical drawing

Typische Leistung – Wainwright Instruments
Connector Options:
  • SMA - Female
  • SMA - Male
  • N - Female
  • N - Male
  • BNC - Female
  • BNC - Male
Passband 10 MHz bandwidth tunable from
to MHz

choose a tuning range of max 100 MHz between 670 and 1000 MHz

Insertion Loss 1.5 dB max. at Fo (2 dB max. at Corners)
Return Loss 14 dB min. (VSWR 1.5:1 max.)
Stopband
Stopband Attenuation 40 dB min.
Operating Temperature 15 °C to 45 °C
Power Handling will be quoted on request (See our warranty)
Dimensions (L x W x H) max. 175 x 30 x 125 mm (connectors may protrude)
Approx. Weight 0.8 kg
Mounting Provision 10 mm flanges on both ends with 3.3 mm holes
Connector 1 Please choose Connector 1
Connector 2 Please choose Connector 2
Tuning Please choose Tuning Options

Unit prices

1–4 pieces

1990 €

5-9 pieces

1891 €

10-24 pieces

1791 €

25-49 pieces

1692 €

50-99 pieces

1592 €

100+ pieces

1493 €

Delivery Terms

1 Delivery time: normally 4 to 6 weeks - depending on quantity ordered and on our work load.

Customer is responsible for observing all applicable export laws in regard to filter application and location of end user.

Certifications

ISO 9001
ISO 14001
Ohris
RoHs / REACH