On this datasheet you can select your preferred connectors. Click Download PDF to generate a PDF document for saving or emailing. You can generate a quote request by entering a quantity in the field at the bottom of the page and clicking Add to Quote Basket. When done selecting filters, please click Quote Basket at the top of the page and fill in the contact form. Before sending us the quotation request you will be able to make adjustments to the quantities or remove items. A copy of your request will be sent to you via email.

Data Sheet: Diplexer/Duplexer (LP/HP )
{{ filter.filter_data_sheet_description }}
This Diplexer is made up of a lowpass and a highpass section. The lowpass section has a passband from DC to 2168 MHz, with an insertion loss of 0.5 dB max. and an isolation of at least 30 dB. The highpass section has a passband from 3420 to 8000 MHz, with an insertion loss of 0.6 dB max. and an isolation of at least 30 dB.

Currently not available

Specifications

Typical Performance

5+4 Section LC Design

LC

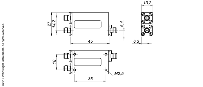
Technical drawing

Typische Leistung – Wainwright Instruments
Connector Options:
  • SMA - Female
  Band 1 (Low Pass) Band 2 (High Pass)
Passbands DC to 2168 MHz 3420 to 8000 MHz
Insertion Loss 0.5 dB max. 0.6 dB max.
Return Loss 15 dB min. 15 dB min.
Stopbands 3420 to 8000 MHz DC to 2168 MHz
Stopband Attenuation 30 dB min. 30 dB min.
Operating Temperature 15 °C to 45 °C
Power Handling max. 10 W CW into a 2:1 VSWR (See our warranty)
Dimensions (L x W x H) max. 45 x 27 x 13.2 mm (connectors may protrude)
Approx. Weight 0.07 kg
Mounting Provision 4 x M2.5 threaded holes in base
Connector Common Please choose Connector common
Connector 1 Please choose Connector 1
Connector 2 Please choose Connector 2

Unit prices

1–4 pieces

1010 €

5-9 pieces

960 €

10-24 pieces

909 €

25-49 pieces

859 €

50-99 pieces

808 €

100+ pieces

758 €

Delivery Terms

1 Delivery time: normally 4 to 6 weeks - depending on quantity ordered and on our work load.

Customer is responsible for observing all applicable export laws in regard to filter application and location of end user.

Certifications

ISO 9001
ISO 14001
Ohris
RoHs / REACH