On this datasheet you can select your preferred connectors. Click Download PDF to generate a PDF document for saving or emailing. You can generate a quote request by entering a quantity in the field at the bottom of the page and clicking Add to Quote Basket. When done selecting filters, please click Quote Basket at the top of the page and fill in the contact form. Before sending us the quotation request you will be able to make adjustments to the quantities or remove items. A copy of your request will be sent to you via email.

Data Sheet: Diplexer/Duplexer (BP/BP)
{{ filter.filter_data_sheet_description }}
This Diplexer is made up of two bandpass sections. The first bandpass section has a passband from 2402 to 2480 MHz, with an insertion loss of 1.5 dB max. and an isolation of at least 60 dB. The second bandpass section has a passband from 4920 to 5805 MHz, with an insertion loss of 1 dB max. and an isolation of at least 60 dB.

Currently not available

Specifications

Typical Performance

5+4 Section Cavity Design

Cavity

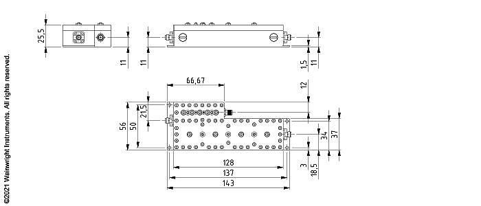
Technical drawing

Typische Leistung – Wainwright Instruments
Connector Options:
  • SMA - Female
  • SMA - Male
  • Pin
  • Surface Mount
  Band 1 (Band Pass) Band 2 (Band Pass)
Passbands 2402 to 2480 MHz 4920 to 5805 MHz
Insertion Loss 1.5 dB max. 1 dB max.
Return Loss 14 dB min. 14 dB min.
Stopbands DC-2025 & 4920-6500 MHz DC-2480 & 8245-8800 MHz
Stopband Attenuation 60 & 60 dB min. 60 & 60 dB min.
Operating Temperature 15 °C to 45 °C
Power Handling max. 50 W CW into a 2:1 VSWR (See our warranty)
Dimensions (L x W x H) max. 128 x 56 x 25.5 mm (connectors may protrude)
Approx. Weight 0.4 kg
Mounting Provision 5.5 mm flanges on both ends with 2.5 mm holes
Connector Common Please choose Connector common
Connector 1 Please choose Connector 1
Connector 2 Please choose Connector 2

Unit prices

1–4 pieces

2830 €

5-9 pieces

2689 €

10-24 pieces

2547 €

25-49 pieces

2406 €

50-99 pieces

2264 €

100+ pieces

2123 €

Delivery Terms

1 Delivery time: normally 4 to 6 weeks - depending on quantity ordered and on our work load.

Customer is responsible for observing all applicable export laws in regard to filter application and location of end user.

Certifications

ISO 9001
ISO 14001
Ohris
RoHs / REACH