On this datasheet you can still adjust your Fo and select your preferred connectors. Click Download PDF to generate a PDF document for saving or emailing. You can generate a quote request by entering a quantity in the field at the bottom of the page and clicking Add to Quote Basket. When done selecting filters, please click Quote Basket at the top of the page and fill in the contact form. Before sending us the quotation request you will be able to make adjustments to the quantities or remove items. A copy of your request will be sent to you via email.

Data Sheet: Band Pass Filters
{{ filter.filter_data_sheet_description }}
This Band Pass Filter has a passband with a bandwidth of 65 MHz, a customer defined center frequency (Fo) between 470 and 530 MHz and an insertion loss of 1.1 dB max. (1.4 dB max. at corners). It has stopbands from DC to Fo - 95 MHz and from Fo + 125 MHz to 2000 MHz., with an attenuation of at least 40 dB.

Attenuation 40 dB min. Currently not available

Specifications

Typical Performance

5 Section Chebyshev Design

Chebyshev

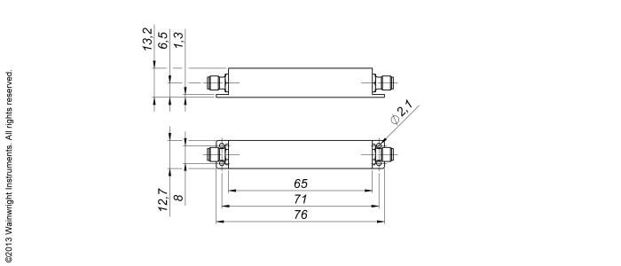
Technical drawing

Typische Leistung – Wainwright Instruments
Connector Options:
  • SMA - Female
Passband

choose Fo between 470 and 530 MHz

Insertion Loss 1.1 dB max. at Fo (1.4 dB max. at Corners)
Return Loss 14 dB min. (VSWR 1.5:1 max.)
Stopband
Stopband Attenuation 40 dB min.
Operating Temperature 15 °C to 45 °C
Power Handling max. 1 W CW into a 2:1 VSWR (See our warranty)
Dimensions (L x W x H) max. 76 x 12.7 x 13.2 mm (connectors may protrude)
Approx. Weight 0.035 kg
Mounting Provision 5.5 mm flanges on both ends with 2.1 mm holes
Connector 1 Please choose Connector 1
Connector 2 Please choose Connector 2

Unit prices

1–4 pieces

1190 €

5-9 pieces

1131 €

10-24 pieces

1071 €

25-49 pieces

1012 €

50-99 pieces

952 €

100+ pieces

893 €

Delivery Terms

1 Delivery time: normally 4 to 6 weeks - depending on quantity ordered and on our work load.

Customer is responsible for observing all applicable export laws in regard to filter application and location of end user.

Certifications

ISO 9001
ISO 14001
Ohris
RoHs / REACH