On this datasheet you can choose your tuning range and select your preferred connectors. Click Download PDF to generate a PDF document for saving or emailing. You can generate a quote request by entering a quantity in the field at the bottom of the page and clicking Add to Quote Basket. When done selecting filters, please click Quote Basket at the top of the page and fill in the contact form. Before sending us the quotation request you will be able to make adjustments to the quantities or remove items. A copy of your request will be sent to you via email.

Data Sheet: Manually Tunable Band Pass Filter for WLAN/WIFI Band UNII-2c (5470-5725 MHz)
{{ filter.filter_data_sheet_description }}
WTBCJV3-5470-5970-20-300-40SSK is a Manually Tunable Band Pass Filter that is manufactured using a 3 section Cavity Design. It has a bandwidth of 20 MHz, with maximum insertion loss of 1.75 dB at its center frequency (Fo) and maximum 2 dB at its passband corners. It has maximum slopes of 140 MHz, achieves an attenuation of at least 40 dB in its stopbands and has a stopband limit of at least 10000 MHz. This Manually Tunable Band Pass Filter's center frequency (Fo) has been pre-selected to match WLAN/WIFI Band UNII-2c (5470-5725 MHz). However, you may adjust the Fo within the below stated range, without affecting the other guaranteed specifications or the price. Please click the update button to update the model number.

Attenuation 40 dB min. Currently not available

Specifications

Typical Performance

3 Section Cavity Design

Cavity

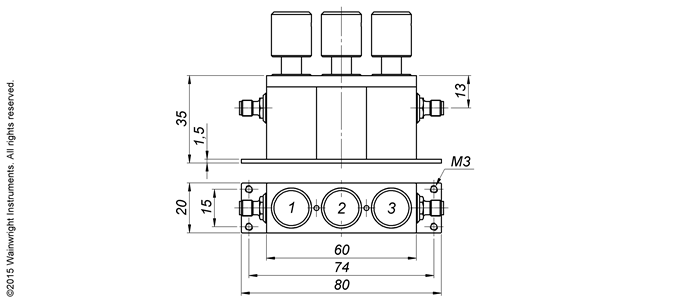
Technical drawing

Typische Leistung – Wainwright Instruments
Connector Options:
  • SMA - Female
  • SMA - Male
  • N - Female
  • N - Male
  • BNC - Female
  • BNC - Male
Passband 20 MHz bandwidth tunable from
to MHz

choose a tuning range of max 500 MHz between 5000 and 6000 MHz

Insertion Loss 1.75 dB max. at Fo (2 dB max. at Corners)
Return Loss 14 dB min. (VSWR 1.5:1 max.)
Stopband
Stopband Attenuation 40 dB min.
Operating Temperature 15 °C to 45 °C
Power Handling will be quoted on request (See our warranty)
Dimensions (L x W x H) max. 80 x 20 x 35 mm (connectors may protrude)
Approx. Weight 0.19 kg
Mounting Provision 10 mm flanges on both ends with M3 threaded holes
Connector 1 Please choose Connector 1
Connector 2 Please choose Connector 2
Tuning Please choose Tuning Options

Unit prices

1–4 pieces

1690 €

5-9 pieces

1606 €

10-24 pieces

1521 €

25-49 pieces

1437 €

50-99 pieces

1352 €

100+ pieces

1268 €

Delivery Terms

1 Delivery time: normally 4 to 6 weeks - depending on quantity ordered and on our work load.

Customer is responsible for observing all applicable export laws in regard to filter application and location of end user.

Certifications

ISO 9001
ISO 14001
Ohris
RoHs / REACH