On this datasheet you can still adjust your Fo and select your preferred connectors Click Download PDF to generate a PDF document for saving or emailing. You can generate a quote request by entering a quantity in the field at the bottom of the page and clicking Add to Quote Basket. When done selecting filters, please click Quote Basket at the top of the page and fill in the contact form. Before sending us the quotation request you will be able to make adjustments to the quantities or remove items. A copy of your request will be sent to you via email.

Data Sheet: Band Reject / Notch Filter for WLAN/WIFI 2400-2497
{{ filter.filter_data_sheet_description }}
WRCT40-2437.5-2438.5-2458.5-2459.5-50SS is a Band Reject / Notch Filter that is manufactured using a 40 section Cavity Design. It has a bandwidth of 20 MHz, with maximum insertion loss of 3 dB in its passbands and maximum 6 dB at its passband corners. It has maximum slopes of 1 MHz, achieves an attenuation of at least 50 dB in its stopband and has a passband limit of at least 3300 MHz. This Band Reject / Notch Filter's center frequency (Fo) has been pre-selected to match WLAN/WIFI 2400-2497. However, you may adjust the Fo within the below stated range, without affecting the other guaranteed specifications or the price. Please click the update button to update the model number.

Attenuation 50 dB min. Currently not available

Specifications

Typical Performance

40 Section Cavity Design

Cavity

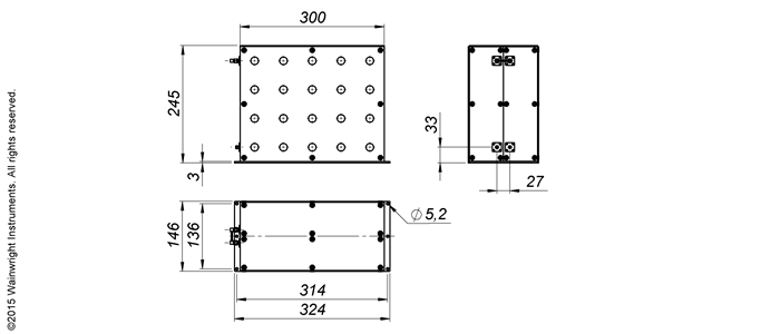
Technical drawing

Typische Leistung – Wainwright Instruments
Connector Options:
  • SMA - Female
  • SMA - Male
  • N - Female
  • N - Male
  • BNC - Female
  • BNC - Male
Passband
Insertion Loss 3 dB max. (6 dB max. at Corners)
Return Loss 14 dB min. (VSWR 1.5:1 max.)
Stopband

choose Fo between 2200 and 2700 MHz

Stopband Attenuation 50 dB min.
Operating Temperature 15 °C to 45 °C
Power Handling will be quoted on request (See our warranty)
Dimensions (L x W x H) max. 330 x 146 x 245 mm (connectors may protrude)
Approx. Weight 10 kg
Mounting Provision 15 mm flanges on both ends with 5.2 mm holes
Connector 1 Please choose Connector 1
Connector 2 Please choose Connector 2

Unit prices

1–4 pieces

5490 €

5-9 pieces

5216 €

10-24 pieces

4941 €

25-49 pieces

4667 €

50-99 pieces

4392 €

100+ pieces

4118 €

Delivery Terms

1 Delivery time: normally 4 to 6 weeks - depending on quantity ordered and on our work load.

Customer is responsible for observing all applicable export laws in regard to filter application and location of end user.

Certifications

ISO 9001
ISO 14001
Ohris
RoHs / REACH