On this datasheet you can choose your tuning range and select your preferred connectors. Click Download PDF to generate a PDF document for saving or emailing. You can generate a quote request by entering a quantity in the field at the bottom of the page and clicking Add to Quote Basket. When done selecting filters, please click Quote Basket at the top of the page and fill in the contact form. Before sending us the quotation request you will be able to make adjustments to the quantities or remove items. A copy of your request will be sent to you via email.

Data Sheet: Digitally Tunable Band Reject / Notch Filter for TD-SCDMA UL & DL Band 33 (1900-1920 MHz)
{{ filter.filter_data_sheet_description }}
WTRCTV5-1700-2000-20-60-40SSM is a Digitally Tunable Band Reject / Notch Filter that is manufactured using a 5 section Cavity Design. It has a bandwidth of 20 MHz, with maximum insertion loss of 0.75 dB in its passbands and maximum 1.5 dB at its passband corners. It has maximum slopes of 20 MHz, achieves an attenuation of at least 40 dB in its stopband and has a passband limit of at least 4000 MHz. This Manually Tunable Band Reject / Notch Filter's center frequency (Fo) has been pre-selected to match TD-SCDMA UL & DL Band 33 (1900-1920 MHz). However, you may adjust the Fo within the below stated range, without affecting the other guaranteed specifications or the price. Please click the update button to update the model number.

Attenuation 40 dB min. Currently not available

Specifications

Typical Performance

5 Section Cavity Design

Cavity

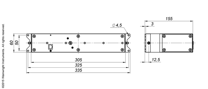
Technical drawing

Typische Leistung – Wainwright Instruments
Connector Options:
  • SMA - Female
  • SMA - Male
  • N - Female
  • N - Male
  • BNC - Female
  • BNC - Male
Passband
Insertion Loss 0.75 dB max. at Fo (1.5 dB max. at Corners)
Return Loss 12 dB min. (VSWR 1.67:1 max.)
Stopband 20 MHz bandwidth tunable from to MHz

choose a tuning range of max 300 MHz between 1700 and 2000 MHz

Stopband Attenuation 40 dB min.
Operating Temperature 15 °C to 40 °C
Power Handling will be quoted on request (See our warranty)
Dimensions (L x W x H) max. 335 x 60 x 155 mm (connectors may protrude)
Approx. Weight 5 kg
Mounting Provision 17.5 mm flanges on both ends with 4.5 mm holes
Connector 1 Please choose Connector 1
Connector 2 Please choose Connector 2

Tuning Motor Specifications

Tuning Time Approx. 2-4 seconds
Power Consumption 20 W standby, 50 W tuning
Supply Voltage 23-32 V DC
Lifetime > 50000 tunings
Interface Ethernet-Lan / WiTunes

Unit prices

1–4 pieces

4390 €

5-9 pieces

4171 €

10-24 pieces

3951 €

25-49 pieces

3732 €

50-99 pieces

3512 €

100+ pieces

3293 €

Delivery Terms

1 Delivery time: normally 4 to 6 weeks - depending on quantity ordered and on our work load.

Customer is responsible for observing all applicable export laws in regard to filter application and location of end user.

Certifications

ISO 9001
ISO 14001
Ohris
RoHs / REACH