On this datasheet you can select your preferred connectors. Click Download PDF to generate a PDF document for saving or emailing. You can generate a quote request by entering a quantity in the field at the bottom of the page and clicking Add to Quote Basket. When done selecting filters, please click Quote Basket at the top of the page and fill in the contact form. Before sending us the quotation request you will be able to make adjustments to the quantities or remove items. A copy of your request will be sent to you via email.

Data Sheet: Diplexer/Duplexer (BP/BP) for LTE UL & DL Band 34 (2010-2025 MHz)
{{ filter.filter_data_sheet_description }}
WDCGV5+4-1880-1920/2010-2025-50S3 is a Diplexer/Duplexer (BP/BP) that is manufactured using a 5+4 Sec Cavity Design. It has passbands from 1880 to 1920 MHz, with maximum insertion loss of 1.5 dB and from 2010 to 2025 MHz, with maximum insertion loss of 1.5 dB. These passbands have an isolation of 50 dB and 50 dB respectively.

Currently not available

Specifications

Typical Performance

5+4 Section Cavity Design

Cavity

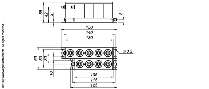
Technical drawing

Typische Leistung – Wainwright Instruments
Connector Options:
  • SMA - Female
  • SMA - Male
  • N - Female
  • N - Male
  • BNC - Female
  • BNC - Male
  Band 1 (Band Pass) Band 2 (Band Pass)
Passbands 1880 to 1920 MHz 2010 to 2025 MHz
Insertion Loss 1.5 dB max. 1.5 dB max.
Return Loss 14 dB min. 14 dB min.
Stopbands DC-1790 & 2010-5400 MHz DC-1920 & 2115-5400 MHz
Stopband Attenuation 50 & 50 dB min. 50 & 50 dB min.
Operating Temperature 15 °C to 45 °C
Power Handling max. 25 W CW into a 2:1 VSWR (See our warranty)
Dimensions (L x W x H) max. 150 x 60 x 55 mm (connectors may protrude)
Approx. Weight 0.9 kg
Mounting Provision 10 mm flanges on both ends with 3.3 mm holes
Connector Common Please choose Connector common
Connector 1 Please choose Connector 1
Connector 2 Please choose Connector 2

Unit prices

1–4 pieces

2880 €

5-9 pieces

2736 €

10-24 pieces

2592 €

25-49 pieces

2448 €

50-99 pieces

2304 €

100+ pieces

2160 €

Delivery Terms

1 Delivery time: normally 4 to 6 weeks - depending on quantity ordered and on our work load.

Customer is responsible for observing all applicable export laws in regard to filter application and location of end user.

Certifications

ISO 9001
ISO 14001
Ohris
RoHs / REACH