On this datasheet you can still adjust your Fco and select your preferred connectors. Click Download PDF to generate a PDF document for saving or emailing. You can generate a quote request by entering a quantity in the field at the bottom of the page and clicking Add to Quote Basket. When done selecting filters, please click Quote Basket at the top of the page and fill in the contact form. Before sending us the quotation request you will be able to make adjustments to the quantities or remove items. A copy of your request will be sent to you via email.

Data Sheet: High Pass Filter
{{ filter.filter_data_sheet_description }}
This High Pass Filter has a passband from its cutoff frequency (Fco) - customer defined between 600 and 1000 MHz - to at least 4000 MHz, with an insertion loss of 0.5 dB max. (0.7 dB max. at Fco). It has a stopband from DC to 0.6500 x Fco with an attenuation of at least 60 dB.

Attenuation 60 dB min. Currently not available

Specifications

Typical Performance

3 Section Cauer Design

Cauer

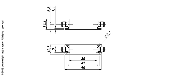
Technical drawing

Typische Leistung – Wainwright Instruments
Connector Options:
  • SMA - Female
Passband to 4000 MHz

choose Fco between 600 and 1000 MHz

Insertion Loss 0.5 dB max. (0.7 max. at Fco)
Return Loss 12 dB min. (VSWR 1.67:1 max.)
Stopband
Stopband Attenuation 60 dB min.
Operating Temperature 5 °C to 45 °C
Power Handling max. 1 W CW into a 2:1 VSWR (See our warranty)
Dimensions (L x W x H) max. 46 x 12.7 x 13.2 mm (connectors may protrude)
Approx. Weight 0.05 kg
Mounting Provision 5.5 mm flanges on both ends with 2.1 mm holes
Connector 1 Please choose Connector 1
Connector 2 Please choose Connector 2

Unit prices

1–4 pieces

940 €

5-9 pieces

893 €

10-24 pieces

846 €

25-49 pieces

799 €

50-99 pieces

752 €

100+ pieces

705 €

Delivery Terms

1 Delivery time: normally 4 to 6 weeks - depending on quantity ordered and on our work load.

Customer is responsible for observing all applicable export laws in regard to filter application and location of end user.

Certifications

ISO 9001
ISO 14001
Ohris
RoHs / REACH